更多相關產品
- LGH-IRW04型 工業機器人操作調整工技能鑒定平臺
- LGH-JR05Z型 工業機器人視覺裝配實訓平臺
- LGH-JR605Z型 工業機器人上下料技能實訓平臺
- LGH-JR12C型 工業機器人電氣系統拆裝實訓平臺
- LGH-LS01型 工業機器人理實一體化教學系統
- LGH-MES40型 工業4.0生產線實訓系統
- LGH-DK01型 工業機器人雕刻實訓平臺
- LGH-HJ12型 工業機器人焊接實訓平臺
- LGH-MP12型 工業機器人磨拋實訓平臺
- LGL-PT06型 工業機器人噴涂實操工作站
- LGL-CZ06型 工業機器人機械拆裝及電氣拆裝平臺
- LGL-MD06型 工業機器人碼垛實操工作站
- LGL-DM06型 工業機器人打磨去毛刺實操工作站
- LGL-HJ06型 工業機器人焊接實操工作站
- LGL-IR03型 工業機器人綜合實訓平臺
- LGL-ZS01型 綜合設備工業機器人工作站
- LG-CY403型 高防護工業機器人
- LG-CY420型 沖壓工業機器人
- LG-CY415型 四軸工業機器人
- LG-CY410A型 沖壓工業機器人
- LG-HJ605型 焊接工業機器人
- LG-DM630型 打磨工業機器人
- LG-DM612型 打磨工業機器人
- LG-ZN6150型 工業機器人
- LG-ZN680型 工業機器人
- LG-ZN650L型 工業機器人
- LG-ZN630型 工業機器人
- LG-ZN620L型 工業機器人
- LG-ZN612型 工業機器人
- LG-ZN605型 工業機器人
- LG-ZN603型 小型六軸工業機器人
- LGL-406型 SCARA工業機器人
- LGL-608H型 六軸工業機器人
- LGL-608型 工業機器人
- LGL-607/607L型 工業機器人
- LGL-604型 工業機器人
- LGL-620型 六軸工業機器人
- LG-SX5110型 碼垛工業機器人(5軸)
- LG-SX616型 工業機器人(機床高防護版)
- LG-SX610型 六軸工業機器人
LG-CY415型 四軸工業機器人
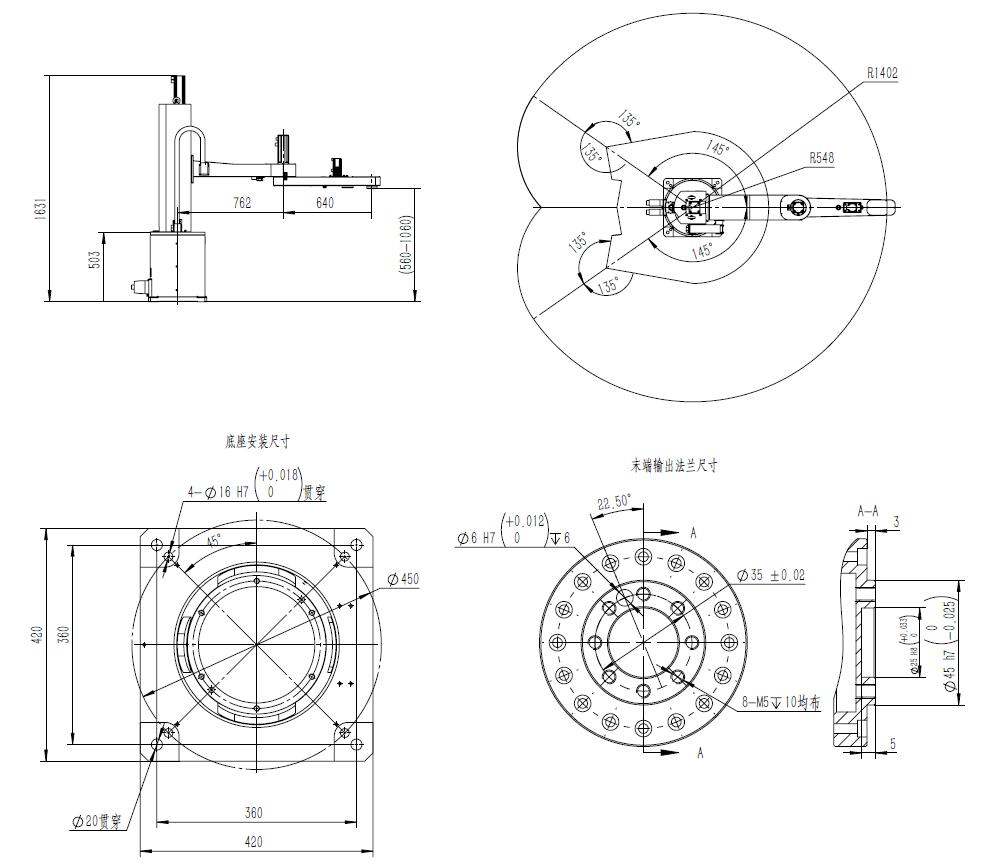
LG-CY415型 四軸工業機器人是新一代高剛性四軸機器人,在同類產品中實現低成本、高性能是沖壓搬運行業的不二選擇。其負載高達15kg,運動范圍1402mm,配置新一代示教器其簡潔模塊化的操作模式,使操作簡單方便。

一、產品特點
1、 LG-CY415型 四軸工業機器人專為沖壓上下料行業量身定造
2、高剛度、高速度、高精度、高負載、高穩定性
3、壽命長達十年,投資回報率高
4、集成度高,內置信號接口與氣管接口
5、平滑性強,過渡點停頓時間接近零
二、技術參數
| 工業機器人 | LG-CY415 | |
| 自由度 | 4 | |
| 額定負載 | 15Kg | |
| *大工作半徑 | 1402mm | |
| 重復定位精度 | ±0.05mm | |
| 運動范圍 | J1 | ±145° |
| J2 | ±135° | |
| J3 | ±250mm | |
| J4 | ±180° | |
| 額定速度 | J1 | 225°/s,3.93rad/s |
| J2 | 225°/s,3.93rad/s | |
| J3 | 500mm/s | |
| J4 | 180°/s,3.14rad/s | |
| *高速度 | J1 | 300°/s,5.23rad/s |
| J2 | 375°/s,6.54rad/s | |
| J3 | 830mm/s | |
| J4 | 360°/s,6.28rad/s | |
| 容許慣性矩 | J4 | 3kg㎡ |
| 容許扭矩 | J4 | 50N·m |
| 適用環境 | 溫度 | 0~45° |
| 濕度 | 20%~80% | |
| 其他 | 避免與易燃易爆或腐蝕性氣體、液體接觸,遠離電子噪聲源(等離子) | |
| 示教器線纜長度 | 8米 | |
| 本體-柜體連接線長度 | 6米 | |
| I/O參數 | 數字量:32輸入,31輸出(控制柜故障指示燈輸出占用1) | |
| 電源容量 | 2.8kVA | |
| 額定功率 | 2.2kW | |
| 額定電壓 | 3相AC380V | |
| 額定電流 | 4A | |
| 防護等級 | IP54 | |
| 安裝方式 | 地面安裝 | |
| 本體重量 | 250kg | |
| 控制柜防護等級 | IP53 | |
| 控制柜尺寸 | 660(寬)×450(厚)×950(高)-立式 | |
| 控制柜重量 | 50Kg | |
三、工業機器人參數圖

四、工業應用

- 上一篇:LG-CY410A型 沖壓工業機器人
- 下一篇:LG-CY420型 沖壓工業機器人



