更多相關產品
- LGH-IRW04型 工業機器人操作調整工技能鑒定平臺
- LGH-JR05Z型 工業機器人視覺裝配實訓平臺
- LGH-JR605Z型 工業機器人上下料技能實訓平臺
- LGH-JR12C型 工業機器人電氣系統拆裝實訓平臺
- LGH-LS01型 工業機器人理實一體化教學系統
- LGH-MES40型 工業4.0生產線實訓系統
- LGH-DK01型 工業機器人雕刻實訓平臺
- LGH-HJ12型 工業機器人焊接實訓平臺
- LGH-MP12型 工業機器人磨拋實訓平臺
- LGL-PT06型 工業機器人噴涂實操工作站
- LGL-CZ06型 工業機器人機械拆裝及電氣拆裝平臺
- LGL-MD06型 工業機器人碼垛實操工作站
- LGL-DM06型 工業機器人打磨去毛刺實操工作站
- LGL-HJ06型 工業機器人焊接實操工作站
- LGL-IR03型 工業機器人綜合實訓平臺
- LGL-ZS01型 綜合設備工業機器人工作站
- LG-CY403型 高防護工業機器人
- LG-CY420型 沖壓工業機器人
- LG-CY415型 四軸工業機器人
- LG-CY410A型 沖壓工業機器人
- LG-HJ605型 焊接工業機器人
- LG-DM630型 打磨工業機器人
- LG-DM612型 打磨工業機器人
- LG-ZN6150型 工業機器人
- LG-ZN680型 工業機器人
- LG-ZN650L型 工業機器人
- LG-ZN630型 工業機器人
- LG-ZN620L型 工業機器人
- LG-ZN612型 工業機器人
- LG-ZN605型 工業機器人
- LG-ZN603型 小型六軸工業機器人
- LGL-406型 SCARA工業機器人
- LGL-608H型 六軸工業機器人
- LGL-608型 工業機器人
- LGL-607/607L型 工業機器人
- LGL-604型 工業機器人
- LGL-620型 六軸工業機器人
- LG-SX5110型 碼垛工業機器人(5軸)
- LG-SX616型 工業機器人(機床高防護版)
- LG-SX610型 六軸工業機器人
LG-SX616型 工業機器人(機床高防護版)
LG-SX616型 工業機器人(機床高防護版)在SX系列機器人基礎上進一步升級,負載能力更強,防護等級更高,速度更快。LG-SX616型 工業機器人很適合多種場合下的應用,例如:噴涂、噴粉、機床上下料、沖壓上下料、裝配、分揀、碼垛、注塑等;特別適合于對機器人防護等級要求高的場合,例如噴涂、噴粉等。

一、產品特點及優勢
1、安裝占地面積小:機器人底座非常小,占地面積小于0.1㎡
2、高精度,高靈活性:平均重復精度可達±0.04mm,*大0.05mm;不僅具備通用6軸功能,當使用通用機器人用法功能無足夠空間時,還可以編程內旋轉模式另辟蹊徑實現避讓。
3、重量輕:本體重量128kg左右
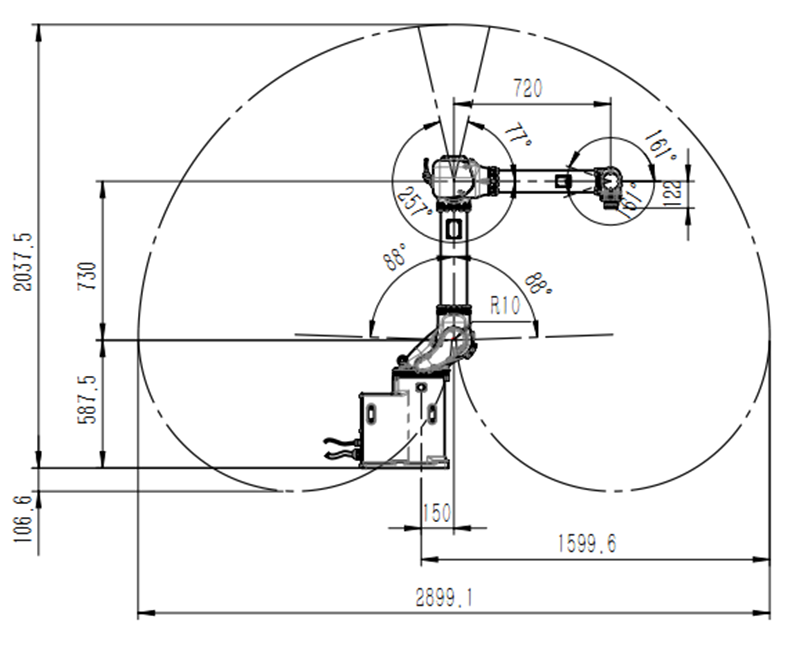
4、臂長更大、負載能力更強:通過輕量化的設計,使用高速電機、高精度的減速器,使機器人臂長增加至1599.6mm,額定負載16kg,可偏心80mm。
5、防護等級更高:經過結構優化,進行密封設計,經過測試,整機防護等級達到IP67。
6、360°空間全覆蓋,無死角。
7、高防護,整機防護等級IP67。
8、安裝占地面積小。
9、高精度,高靈活性。特征5:高速,慣量小。
10、重量輕。特征
11、模塊化、系列化、可定制。
12、性價比高。
二、技術參數
| 工業機器人 | LG-SX616 | |
| 自由度 | 6 | |
| 負載 | 16Kg | |
| *大工作半徑 | 1599.6mm | |
| 重復定位精度 | ±0.05mm | |
| 運動范圍 | J1 | ±154° |
| J2 | -178°/-2° | |
| J3 | +103°/+437° | |
| J4 | ±360° | |
| J5 | ±161° | |
| J6 | ±360° | |
| 額定速度 | J1 | 2.73 rad/s,157°/s |
| J2 | 2.52rad/s,145°/s | |
| J3 | 3.10rad/s,178°/s | |
| J4 | 3.85rad/s,221°/s | |
| J5 | 3.14rad/s,180°/s | |
| J6 | 6.28rad/s,360°/s | |
| *高速度 | J1 | 4.12rad/s,236°/s |
| J2 | 3.78ad/s,217°/s | |
| J3 | 6.23rad/s,357°/s | |
| J4 | 7.72rad/s,443°/s | |
| J5 | 6.28rad/s,360°/s | |
| J6 | 12.56rad/s,720°/s | |
| 容許慣性矩 | J6 | 0.15kg㎡ |
| J5 | 0.85kg㎡ | |
| J4 | 0.99kg㎡ | |
| 容許扭矩 | J6 | 12.7Nm |
| J5 | 28.0Nm | |
| J4 | 34.0Nm | |
| 適用環境 | 溫度 | 0~45° |
| 濕度 | 20%~80% | |
| 其他 | 避免與易燃易爆或腐蝕性氣體、液體接觸,遠離電子噪聲源(等離子) | |
| 示教器線纜長度 | 8米 | |
| 本體-柜體連接線長度 | 3米 | |
| I/O參數 | 數字量:32輸入,31輸出 | |
| 電源容量 | 4.3kVA | |
| 額定功率 | 3.2kW | |
| 額定電壓 | 單相AC220V | |
| 額定電流 | 17.1A | |
| 本體防護等級 | IP67 | |
| 安裝方式 | 地面安裝 | |
| 本體重量 | 128kg | |
| 控制柜防護等級 | IP54 | |
| 控制柜尺寸 | 680(寬)×580(厚)×370(高)-可立可臥 | |
| 控制柜重量 | 47KG | |
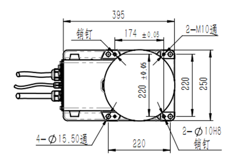
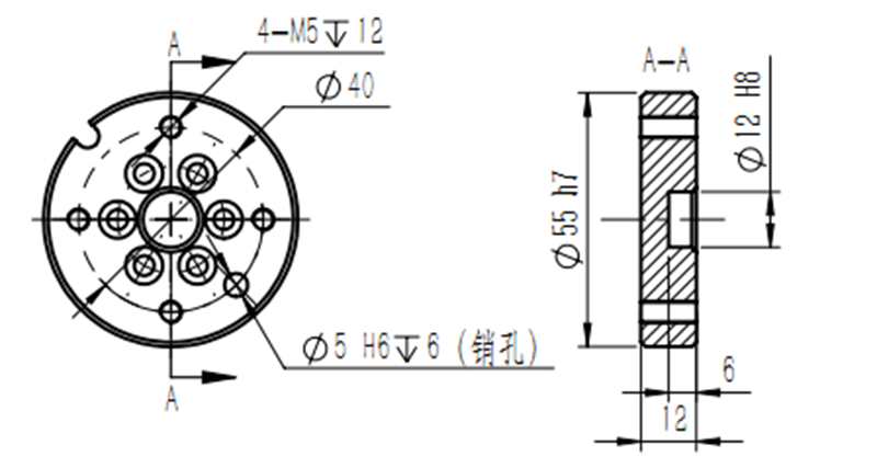
三、工業機器人參數圖

運動范圍圖


底座安裝尺寸圖

末端輸出法蘭尺寸圖
四、應用領域

沖壓生產線

數控機床上下料

工控盒鉚釘自動送料—壓鉚—鐳雕—組裝自動化



