更多相關產品
- LGH-IRW04型 工業機器人操作調整工技能鑒定平臺
- LGH-JR05Z型 工業機器人視覺裝配實訓平臺
- LGH-JR605Z型 工業機器人上下料技能實訓平臺
- LGH-JR12C型 工業機器人電氣系統拆裝實訓平臺
- LGH-LS01型 工業機器人理實一體化教學系統
- LGH-MES40型 工業4.0生產線實訓系統
- LGH-DK01型 工業機器人雕刻實訓平臺
- LGH-HJ12型 工業機器人焊接實訓平臺
- LGH-MP12型 工業機器人磨拋實訓平臺
- LGL-PT06型 工業機器人噴涂實操工作站
- LGL-CZ06型 工業機器人機械拆裝及電氣拆裝平臺
- LGL-MD06型 工業機器人碼垛實操工作站
- LGL-DM06型 工業機器人打磨去毛刺實操工作站
- LGL-HJ06型 工業機器人焊接實操工作站
- LGL-IR03型 工業機器人綜合實訓平臺
- LGL-ZS01型 綜合設備工業機器人工作站
- LG-CY403型 高防護工業機器人
- LG-CY420型 沖壓工業機器人
- LG-CY415型 四軸工業機器人
- LG-CY410A型 沖壓工業機器人
- LG-HJ605型 焊接工業機器人
- LG-DM630型 打磨工業機器人
- LG-DM612型 打磨工業機器人
- LG-ZN6150型 工業機器人
- LG-ZN680型 工業機器人
- LG-ZN650L型 工業機器人
- LG-ZN630型 工業機器人
- LG-ZN620L型 工業機器人
- LG-ZN612型 工業機器人
- LG-ZN605型 工業機器人
- LG-ZN603型 小型六軸工業機器人
- LGL-406型 SCARA工業機器人
- LGL-608H型 六軸工業機器人
- LGL-608型 工業機器人
- LGL-607/607L型 工業機器人
- LGL-604型 工業機器人
- LGL-620型 六軸工業機器人
- LG-SX5110型 碼垛工業機器人(5軸)
- LG-SX616型 工業機器人(機床高防護版)
- LG-SX610型 六軸工業機器人
LG-ZN680型 工業機器人
LG-ZN680型 工業機器人是公司*新推出的一款通用型中大負載六軸機器人,在研發設計初始即考慮多種使用工況,如搬運、焊接、打磨、去毛刺等,性能達到同類產品先進水平。

工業機器人本體

一、產品特點
1、高剛度高速度,LG-ZN680型 工業機器人設計采用有限元分析盡心力學分析,結合公司豐富的機器人設計經驗,鑄就LG-ZN680型 工業機器人優異的結構剛度;同時優化電機選型和減速比配置,整機末端合成速度*高達到4m/s。
2、高精度,為滿足焊接、打磨、去毛刺等對軌跡精度有嚴格要求的工作,LG-ZN680型 工業機器人傳動系統經過精心設計和嚴格工藝組裝,盡可能消除傳動系統傳動誤差,重復定位精度達到±0.07mm,為國內還同類產品先進水平。
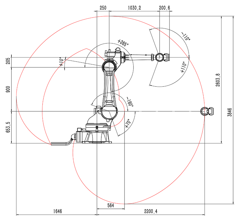
3、工作范圍寬廣靈活,各軸運動范圍大,臂展2200mm,可以覆蓋眾多工作場景,手腕結構緊湊,可以在狹窄空間內靈活轉動。
4、高負載,四五六軸負載余量達到25%,免除夾具設計時緊張的重量控制,給設計留下更多空間,在某些情況下盡可作為100kg負載機器人使用。同時富余的安全余量意味著更高安全系數與更長使用壽命。
5、高防護,手臂防護等級達到IP65,杜絕灰塵、廢屑、液體污染,適用于打磨、去毛刺等惡劣工況,提供持續穩定的生產力,降低維護保養成本,為您創造更多價值。
二、技術參數
| 工業機器人 | LG-ZN680 | |
| 自由度 | 6 | |
| 額定負載 | 80Kg | |
| *大工作半徑 | 2200.4mm | |
| 重復定位精度 | ±0.07mm | |
| 運動范圍 | J1 | ±180° |
| J2 | -160°/70° | |
| J3 | +10°/265° | |
| J4 | ±360° | |
| J5 | ±110° | |
| J6 | ±360° | |
| 額定速度 | J1 | 85°/s,1.48rad/s |
| J2 | 85°/s,1.48rad/s | |
| J3 | 104°/s,1.81rad/s | |
| J4 | 177°/s,3.08rad/s | |
| J5 | 155°/s,2.7rad/s | |
| J6 | 187°/s,3.26rad/s | |
| *高速度 | J1 | 127.5°/s,2.22rad/s |
| J2 | 127.5°/s,2.22rad/s | |
| J3 | 104°/s,1.81rad/s | |
| J4 | 177°/s,3.08rad/s | |
| J5 | 155°/s,2.7rad/s | |
| J6 | 187°/s,3.26rad/s | |
| 容許慣性矩 | J6 | 25kg㎡ |
| J5 | 32.7kg㎡ | |
| J4 | 32.7kg㎡ | |
| 容許扭矩 | J6 | 330Nm |
| J5 | 340Nm | |
| J4 | 400Nm | |
| 適用環境 | 溫度 | 0~45° |
| 濕度 | 20%~80% | |
| 其他 | 避免與易燃易爆或腐蝕性氣體、液體接觸,遠離電子噪聲源(等離子) | |
| 示教器線纜長度 | 8米 | |
| 本體-柜體連接線長度 | 8米 | |
| I/O參數 | 數字量:32輸入,31輸出(控制柜故障指示燈輸出占用1) | |
| 電源容量 | 7.5kVA | |
| 額定功率 | 6kW | |
| 額定電壓 |
3相AC380V | |
| 額定電流 | 10.8A | |
| 本體防護等級 | IP54/IP65(手腕) | |
| 安裝方式 | 地面安裝 | |
| 本體重量 | 722kg | |
| 控制柜防護等級 | IP53 | |
| 控制柜尺寸 | 700mm(寬)×500mm(厚)×1300mm(高)-立式 | |
| 控制柜重量 | 180KG | |
三、工業機器人參數圖




- 上一篇:LG-ZN650L型 工業機器人
- 下一篇:LG-ZN6150型 工業機器人



