更多相關產品
- LGH-IRW04型 工業機器人操作調整工技能鑒定平臺
- LGH-JR05Z型 工業機器人視覺裝配實訓平臺
- LGH-JR605Z型 工業機器人上下料技能實訓平臺
- LGH-JR12C型 工業機器人電氣系統拆裝實訓平臺
- LGH-LS01型 工業機器人理實一體化教學系統
- LGH-MES40型 工業4.0生產線實訓系統
- LGH-DK01型 工業機器人雕刻實訓平臺
- LGH-HJ12型 工業機器人焊接實訓平臺
- LGH-MP12型 工業機器人磨拋實訓平臺
- LGL-PT06型 工業機器人噴涂實操工作站
- LGL-CZ06型 工業機器人機械拆裝及電氣拆裝平臺
- LGL-MD06型 工業機器人碼垛實操工作站
- LGL-DM06型 工業機器人打磨去毛刺實操工作站
- LGL-HJ06型 工業機器人焊接實操工作站
- LGL-IR03型 工業機器人綜合實訓平臺
- LGL-ZS01型 綜合設備工業機器人工作站
- LG-CY403型 高防護工業機器人
- LG-CY420型 沖壓工業機器人
- LG-CY415型 四軸工業機器人
- LG-CY410A型 沖壓工業機器人
- LG-HJ605型 焊接工業機器人
- LG-DM630型 打磨工業機器人
- LG-DM612型 打磨工業機器人
- LG-ZN6150型 工業機器人
- LG-ZN680型 工業機器人
- LG-ZN650L型 工業機器人
- LG-ZN630型 工業機器人
- LG-ZN620L型 工業機器人
- LG-ZN612型 工業機器人
- LG-ZN605型 工業機器人
- LG-ZN603型 小型六軸工業機器人
- LGL-406型 SCARA工業機器人
- LGL-608H型 六軸工業機器人
- LGL-608型 工業機器人
- LGL-607/607L型 工業機器人
- LGL-604型 工業機器人
- LGL-620型 六軸工業機器人
- LG-SX5110型 碼垛工業機器人(5軸)
- LG-SX616型 工業機器人(機床高防護版)
- LG-SX610型 六軸工業機器人
LG-ZN612型 工業機器人
LG-ZN612型 工業機器人是一款高性能通用小負載關節機器人,依托多年伺服控制的技術積累,使用自主研發的控制技術及高性能伺服電機,實現同級別機器人中的大臂展及大負載。 LG-ZN612型 工業機器人采用高剛性手臂、先進伺服,運動速度快,重復定位精度高達±0.06mm、運動半徑1555mm。 充分適用于打磨、搬運、焊接等行業。

一、產品特點
(一)高性能
1、精密的機械加工工序管控,嚴格的裝配管控;
2、國外先進測量標定設備進行軌跡精度測試,嚴格精度把關;
3、進口品牌高精度減速機,匹配高性能伺服電機,保證機器人平穩的啟動與停止;
4、高性能控制系統,使機器人可快速、準確地運行;
5、負載高達12Kg ;
6、臂展高達1555mm;
7、出廠前穩定性測試長達7*24小時以上,保證質量的穩定;
(二)易使用
1、豐富的用戶接頭,本體內部走線集成了伺服電機動力線和編碼線以及方便用戶使用的DB15接頭、φ8的氣管接頭,既保持整體外觀,也方便夾具接線應用。
2、4軸絲桿中空設計,用戶氣管可直通小臂,減少氣管外露。
(三)高性價比
1、為電子行業提供標準和高防護等級的型號
2、具備優秀的伺服控制器應用平臺,核心零部件使用嚴格的質量控制管理,提供客戶滿意的技術支持
3、與國內優質供應商保持良好的合作關系,為客戶提供相關配套視覺及應用產品
二、技術參數
| 工業機器人 | LG-ZN612 | |
| 自由度 | 6 | |
| 額定負載 | 12Kg | |
| *大工作半徑 | 1555mm | |
| 重復定位精度 | ±0.06mm | |
| 運動范圍 | J1 | ±168° |
| J2 | -170°/+75° | |
| J3 | +40°/ +265° | |
| J4 | ±180° | |
| J5 | ±108° | |
| J6 | ±360° | |
| 額定速度 | J1 | 148°/s,2.58rad/s |
| J2 | 148°/s,2.58rad/s | |
| J3 | 148°/s,2.58rad/s | |
| J4 | 360°/s,6.28rad/s | |
| J5 | 225°/s,3.93rad/s | |
| J6 | 360°/s,6.28rad/s | |
| *高速度 | J1 | 197.33°/s,3.44rad/s |
| J2 | 197.33°/s,3.44rad/s | |
| J3 | 197.33°/s,3.44rad/s | |
| J4 | 600°/s,10.47rad/s | |
| J5 | 375°/s,6.54rad/s | |
| J6 | 600°/s,10.47rad/s | |
| 容許慣性矩 | J6 | 0.17kg㎡ |
| J5 | 1.2kg㎡ | |
| J4 | 1.2kg㎡ | |
| 容許扭矩 | J6 | 15Nm |
| J5 | 35Nm | |
| J4 | 35Nm | |
| 適用環境 | 溫度 | 0~45° |
| 濕度 | 20%~80% | |
| 其他 | 避免與易燃易爆或腐蝕性氣體、液體接觸,遠離電子噪聲源(等離子) | |
| 示教器線纜長度 | 8米 | |
| 本體-柜體連接線長度 | 6米 | |
| I/O參數 | 數字量:32輸入,31輸出(控制柜故障指示燈輸出占用1) | |
| 電源容量 | 3.8kVA | |
| 額定功率 | 3kW | |
| 額定電壓 | 3相AC380V | |
| 額定電流 | 5.4A | |
| 本體防護等級 | IP54/IP65(手腕) | |
| 安裝方式 | 地面安裝、側掛安裝 | |
| 本體重量 | 196kg | |
| 控制柜防護等級 | IP53 | |
| 控制柜尺寸 | 650mm(寬)×580mm(厚)×940mm(高)-立式 | |
| 控制柜重量 | 130KG | |
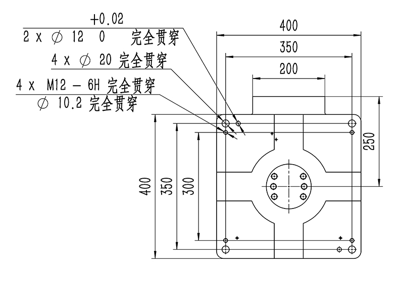
三、工業機器人參數圖




- 上一篇:LG-ZN605型 工業機器人
- 下一篇:LG-ZN620L型 工業機器人



